CS-WPT300G
- 产品简介
- 技术参数
- 选型
产品概述
WPT300G全焊接结构制冷压力温度一体变送器广泛应用于空调、冷冻和热泵系统。工业标准的4~20mA信号输出,国际上通用的电气连接件和压力接口、全焊接结构,防冷凝水,适用于冷媒压力测量领域。该产品允许用于控制和保证系统在安全和稳定的工况下运行。
产品特点
压力温度一体变送器
双路4~20mA输出
扩散硅充油芯体
密封表压
全焊接结构,无O型圈,无泄漏风险
防冷凝水
正反向过电压
高精度
应用
磁悬浮机组
冷水螺杆机组
水源热泵机组
地源热泵机组
工业冷冻机组
性能指标
温度:20~25℃;供电:12VDC;相对湿度:45%~75%;环境大气压:86KPa~101KPa;

注1:0barG=101.325kpaA (将1个标准大气压定义为0bar)
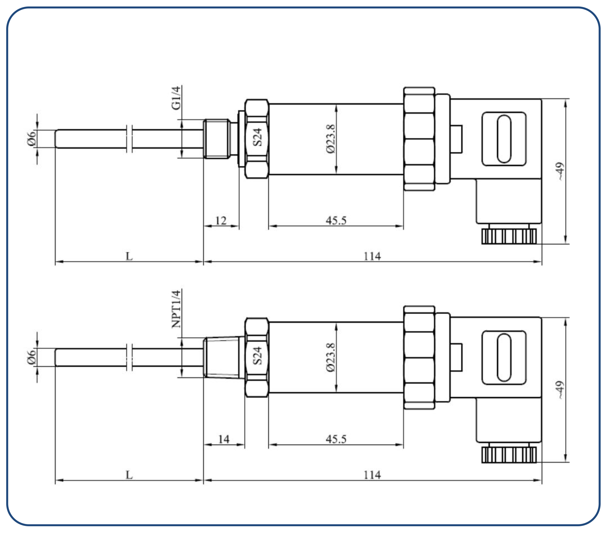
注2:当探杆长度大于50mm时,建议加上探杆保护套,防止由于介质流速对温度探杆产生冲击而损坏探杆
外形尺寸

4HY-133压力变送器是采用陶瓷材料经特殊工艺精制而成的干式陶瓷压阻压力传感器,陶瓷是一种公认的高弹性、抗腐蚀、抗磨损、抗冲击和振动的材料。陶瓷的热稳定特性及它的厚膜电阻可以使它的工作温度范围高达-40~135℃,而且具有测量的高精度、高稳定性。电气绝缘程度>2kV,输出信号强,长期稳定性好。高特性,低价格的陶瓷传感器将是压力传感器的发展方向,在欧美国家有全面替代其它类型传感器的趋势,在中国也越来越多的用户使用陶瓷传感器替代扩散硅压力传感器。
HY-133干式陶瓷压力传感器被广泛地应用在:过程控制、环境控制、液压和气动设备、伺服阀门和传动、化学制品和化学工业及医用仪表等众多领域。它的尺寸小,直径18mm,量程范围1~500bar,价格低,被广泛的应用在各种测量压力的场合。
HY-133压力变送器是采用陶瓷材料经特殊工艺精制而成的干式陶瓷压阻压力传感器,陶瓷是一种公认的高弹性、抗腐蚀、抗磨损、抗冲击和振动的材料。陶瓷的热稳定特性及它的厚膜电阻可以使它的工作温度范围高达-40~135℃,而且具有测量的高精度、高稳定性。电气绝缘程度>2kV,输出信号强,长期稳定性好。高特性,低价格的陶瓷传感器将是压力传感器的发展方向,在欧美国家有全面替代其它类型传感器的趋势,在中国也越来越多的用户使用陶瓷传感器替代扩散硅压力传感器。
HY-133干式陶瓷压力传感器被广泛地应用在:过程控制、环境控制、液压和气动设备、伺服阀门和传动、化学制品和化学工业及医用仪表等众多领域。它的尺寸小,直径18mm,量程范围1~500bar,价格低,被广泛的应用在各种测量压力的场合。
相关产品
压力变送器
GU27
- MCS芯体
- I型:±0.5%F.S., ±0.2%F.S.,±0.1%F.S.,±0.05%F.S. (@15℃~35℃)
- II型:±1%F.S.,±0.5%F.S.,±0.2%F.S., ±0.1%F.S. (@-40℃~+85℃)
- 表压G
- 绝压A
- 10~30VDC
- 24VDC
- 15VDC
- 5VDC
- 10~30VDC
- 24VDC
- 15VDC
- 5VDC
- RS485
- 1~5V
- 4~20mA
- 30~40KHZ,TTL
- I²C
- 029-88325620
- sales@websensor.com
- 724979733
压力变送器
CS-PT807
- 029-88325620
- sales@websensor.com
- 724979733
























