CS-PT1801
- 产品简介
- 技术参数
- 选型
产品概述
PT1801型压力变送器是专为冷媒压力测量而开发的压力变送器。选用陶瓷电容敏感元件和专用校准电路,可实现绝压真空或密封表压为基准的压力测量。该产品可承受较大的破坏压力,同时还具有工作温度下精度高、防水等级高、抗冷凝水等优点,是冷媒压力测量的理想选择。我们可在短时间内向您提供满足满足具体操作应用要求的不同压力单元和过程连接的产品。
产品特点
● 陶瓷电容芯体
● 线性好,温漂小
● 高过载
● 全密封,防冷凝水
● 防护等级IP67
● 正反向过电压
● 适合大批量生产
应用
● 冷水螺杆机组
● 水源热泵机组
● 地源热泵机组
性能指标
温度:20~25℃;供电:12VDC;相对湿度:45%~75%;环境大气压:86KPa~106KPa;

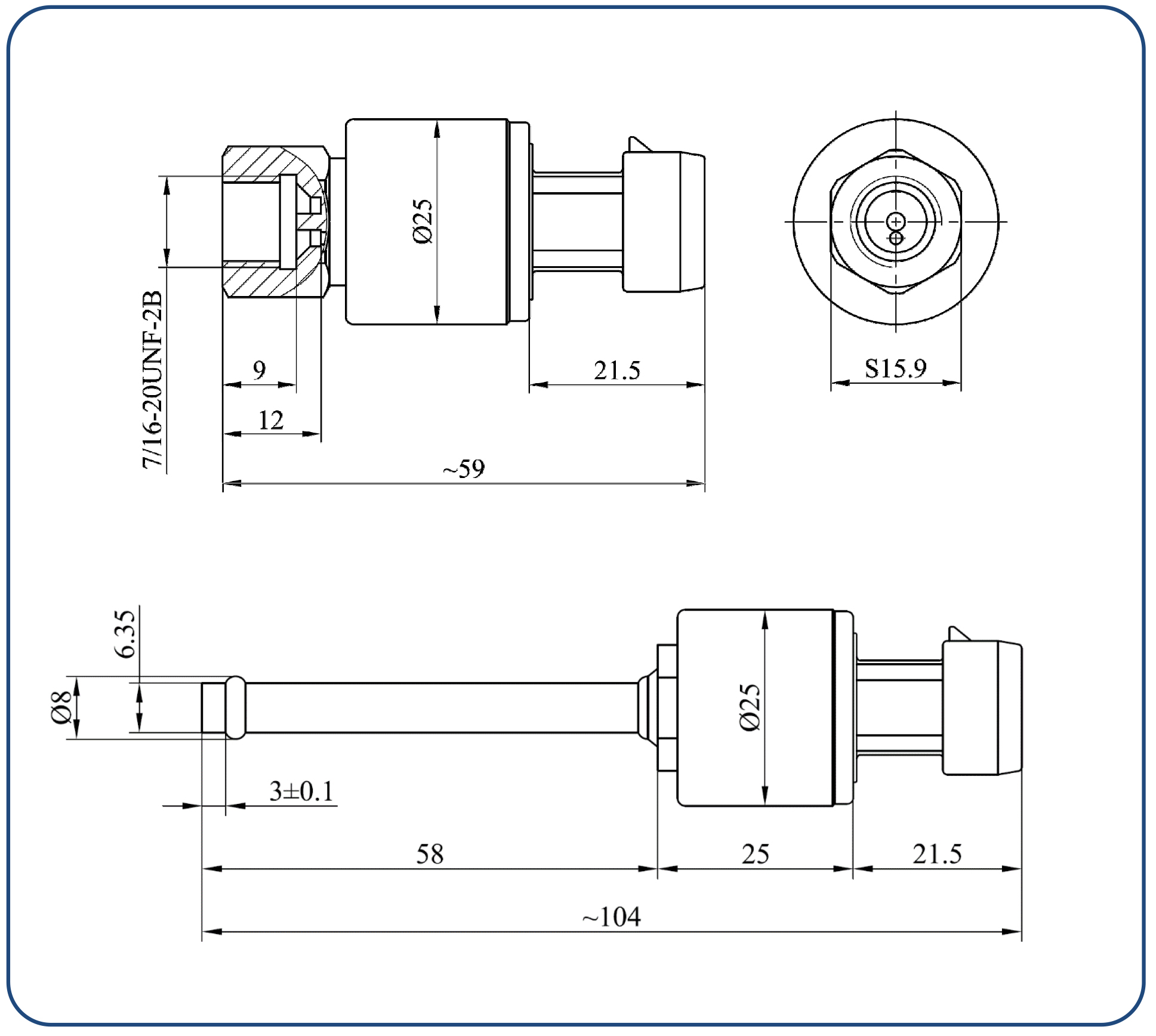
外形尺寸

4HY-133压力变送器是采用陶瓷材料经特殊工艺精制而成的干式陶瓷压阻压力传感器,陶瓷是一种公认的高弹性、抗腐蚀、抗磨损、抗冲击和振动的材料。陶瓷的热稳定特性及它的厚膜电阻可以使它的工作温度范围高达-40~135℃,而且具有测量的高精度、高稳定性。电气绝缘程度>2kV,输出信号强,长期稳定性好。高特性,低价格的陶瓷传感器将是压力传感器的发展方向,在欧美国家有全面替代其它类型传感器的趋势,在中国也越来越多的用户使用陶瓷传感器替代扩散硅压力传感器。
HY-133干式陶瓷压力传感器被广泛地应用在:过程控制、环境控制、液压和气动设备、伺服阀门和传动、化学制品和化学工业及医用仪表等众多领域。它的尺寸小,直径18mm,量程范围1~500bar,价格低,被广泛的应用在各种测量压力的场合。
HY-133压力变送器是采用陶瓷材料经特殊工艺精制而成的干式陶瓷压阻压力传感器,陶瓷是一种公认的高弹性、抗腐蚀、抗磨损、抗冲击和振动的材料。陶瓷的热稳定特性及它的厚膜电阻可以使它的工作温度范围高达-40~135℃,而且具有测量的高精度、高稳定性。电气绝缘程度>2kV,输出信号强,长期稳定性好。高特性,低价格的陶瓷传感器将是压力传感器的发展方向,在欧美国家有全面替代其它类型传感器的趋势,在中国也越来越多的用户使用陶瓷传感器替代扩散硅压力传感器。
HY-133干式陶瓷压力传感器被广泛地应用在:过程控制、环境控制、液压和气动设备、伺服阀门和传动、化学制品和化学工业及医用仪表等众多领域。它的尺寸小,直径18mm,量程范围1~500bar,价格低,被广泛的应用在各种测量压力的场合。
相关产品
冷冻机组压力变送器
CS-PT300M
- 029-88325620
- sales@websensor.com
- 724979733

























